碳钢离心风机
修改时间:2025-05-28 20:08:00 浏览:3013402次 作者:万通
| 产品名称: | 4-72型C式碳钢离心风机 | 产品简介: | 4-72型C式碳钢离心风机是一种广泛应用于工业领域的通风设备,具有效率高、噪音低、运行稳定等特点。 一、型号与特点 1. 型号含义 • 4-72:代表风机的系列型号,其中“4”表示压力系数(较高效率点全压系数),“72”表示比转速(反映风机流量和压力的综合性能)。 • C式:指风机的传动方式为“C式”,即悬臂支撑结构,电机通过皮带轮驱动风机叶轮(电机位于风机一侧,通过皮带传动)。 • 碳钢:风机的主要材质为碳素钢(Q235等),适用于一般通风环境,成本较低但不耐腐蚀。 2. 结构特点 • 叶轮:采用后倾式叶片设计,空气动力性能优良,效率可达90%以上,运行平稳。 • 机壳:碳钢板焊接而成,结构坚固,进风口为锥形流线型,减少气流损失。 • 传动方式:C式皮带传动,可通过更换皮带轮调整转速,灵活适应不同工况。 • 出风口方向:通常支持0°~225°多角度调整(按45°间隔),方便管道安装。 3. 主要性能参数 • 风量范围:约850~221,000 m³/h(具体取决于机号大小)。 • 风压范围:约200~3,200 Pa。 • 适用温度:一般≤80℃(若输送高温或腐蚀性气体需选不锈钢或加防护涂层)。 • 电机功率:0.55~220 kW(根据机号和工况匹配)。 4.碳钢材质的优势与限制 优势: • 强度高,成本低,适合常规工业环境。 • 耐温性较好(通常可耐受≤250℃气体,需具体型号确认)。 限制: • 不适用腐蚀性气体(如含硫、氯气等),需改用不锈钢或玻璃钢风机。 • 潮湿环境中需做防锈处理(如喷涂防腐涂层)。 二、主要应用领域 1.通风换气 • 工厂车间:用于排除生产过程中产生的热气、烟尘或异味,保持空气流通。 • 仓库/地下室:防潮通风,防止货物霉变。 • 农业大棚:调节温湿度,促进空气循环。 2.工业流程辅助 • 锅炉系统:配套燃煤/燃气锅炉的助燃或排烟(需注意温度耐受,一般适用于中低温烟气)。 • 烘干设备:为烘干线提供热风循环,如粮食、木材、纺织品烘干。 • 除尘系统:与除尘器配合输送含尘气体(粉尘浓度需在风机耐受范围内)。 3.空调及暖通系统 • 中央空调送风:作为 HVAC 系统的动力单元,输送清洁空气。 • 热风供暖:配合热交换器用于厂房或大型空间的暖风输送。 4.其他特殊场景 • 实验室排风:排除化学气体,需确保介质无强腐蚀性。 • 设备冷却:为电机、变压器等设备强制散热。 三、选型注意事项 • 机号选择:4-72型风机有No.2.8~No.20共13种机号,需根据风量、风压需求选择。 • 防腐要求:若环境潮湿或含腐蚀性气体,建议选不锈钢(如4-72型S式)或玻璃钢材质。 • 配套电机:需根据实际工况的功率余量选择,避免超载。 四、维护要点 • 定期检查:皮带松紧度、轴承润滑(需加注锂基脂)、叶轮积灰清理。 • 振动与噪音:异常振动可能提示叶轮失衡或轴承损坏,需及时停机检修。 • 防锈处理:碳钢材质需定期喷涂防锈漆,延长使用寿命。 |

-
01 CRC质量管理体系认证
风机测试符合JB/T 10563-2006国家标准的要求,风机设备连续运行24小时不损坏,长久使用寿命,节能高效(省电),为您创造利润,节省成本。全机组进行电脑应力应变分析,提高结构强度。
02 保养操作简单
采用油浴封闭式的机油箱,保护轴承与轴芯不受腐蚀性气体的侵蚀,延长使用寿命,降低故障频率,模组化生产,规格统一,零配件材料齐全,可在短时间内、节约成本,快速完成安装维修。
03 提供服务团队
1对1服务,提供到公司测量性能、震动,提供测试报告,防范故障于未然,保障风机在最佳状况下运转。可针对客户的特殊规格,量身定制设计,确保风机运转于最高效率点。
4-72C型碳钢离心风机 4-72C型碳钢离心风机可输送空气和其它不自燃的、对人体无害的、对钢材无腐蚀性的气体。气体内不允许有粘性物质,所含尘土及硬质颗粒物不大于150mg/m3。气体温度不得超过80℃该风机广泛适用于工矿企业、大型建筑物、宾馆酒楼等室内通风换气排烟。
产品型式:本公司号有NO2.8、3.2、3.6、4、4.5、5、5.6、6、6.3、7.1、8、10、12十三种。可制成右旋和左旋两种型式,叶轮顺时针旋转,称为右旋风机。以“右”表示,叶轮逆时针旋转,称为左旋风机,以“左”表示。风机的出口位置,以机壳的出风角度表示。4-72NO2.8-10出厂时均做成多种型式,可根据使用单位要求安装成所需的位置,即出风口位置调整范围0°~225°间隔是22.5°或45°,即(0°、45°、90°、135°、180°、225°)共六种。NO7.1-10根据用户需求制成一种方向角度。风机的传动方式为C式。
结构特点:本风机主要由叶轮、机壳、进风口、机架、轴承箱等皮带传动而组成。叶轮:由10个后倾斜的机翼型叶片、曲线型前盘和平板后盘组成。并经过动平衡校正,气动性能,故运转平衡、振动小、效率高、寿命长等特点。机壳:用钢板焊成蜗型壳体。进风口:制成整体(全部模具成型),装于风机的侧面,于轴向平行的戴面未曲线形状,能使气体顺利进入叶轮,且损失较小。传动组:由主轴、轴承箱、联轴器等。主轴由优质钢制成,轴承箱整体结构,采用滚动轴承,分为水冷和油冷两种。4-72C Carbon steel centrifugal fan 4-72C Carbon steel centrifugal fan It can transport air and other non-flammable harmless to human body and non-corrosive gas to steel. No viscous substances are allowed in the gas and the dust and hard particles are not more than≤150mg/m3. The air temperature shall not exceed≤80℃. The fan is widely used for indoor ventilation and smoke extraction in industrial and mining enterprises large buildings hotels and restaurants.
Product type: The company has NO2.8、 3.2、 3.6、 4、 4.5、 5、 5.6、 6、 6.3、 7.1、 8、 10、 12 13kinds. Can be made into right-handed and left-handed two types the impeller rotating clockwise called right-handed fan. In & other; Right & throughout; That the impeller rotates counterclockwise called the left cyclone to “ Left & throughout; Said. The outlet position of the fan is expressed by the outlet Angle of the enclosure. 4-72NO2.8-10 are made into a variety of types when leaving the factory can be installed into the required position according to the requirements of the user that is the position of the air outlet adjustment range 0° ~ 225° Interval is 22.5° Or 45° That (0° And 45° And 90° And 135° And 180° And 225°) A total of six. No7.1-10 according to user requirements to make a direction Angle. The transmission mode of the fan is C type.
Structure features: The fan is mainly composed of impeller housing air intake frame bearing box and other belt drive. Impeller: consists of 10 rear sloped airfoil blades curved front disc and flat rear disc. And after dynamic balance correction pneumatic performance so the operation balance small vibration high efficiency long life and other characteristics. Housing: welded with steel plate into a cochlear housing. Air INLET: MADE INTO a WHOLE (all mold molding) installed on the side of the fan parallel to the axial surface without curve shape can make the gas smoothly into the impeller and the loss is small. Transmission group: spindle bearing box coupling etc. The main shaft is made of high quality steel. The overall structure of the bearing box is made of rolling bearings which are divided into water cooled and oil cooled.机 号
Model(NO)转 速
Speed(r/min)功 率
Power(KW)机座号
Poles frame size-p流 量
Volume(M3/h)全 压
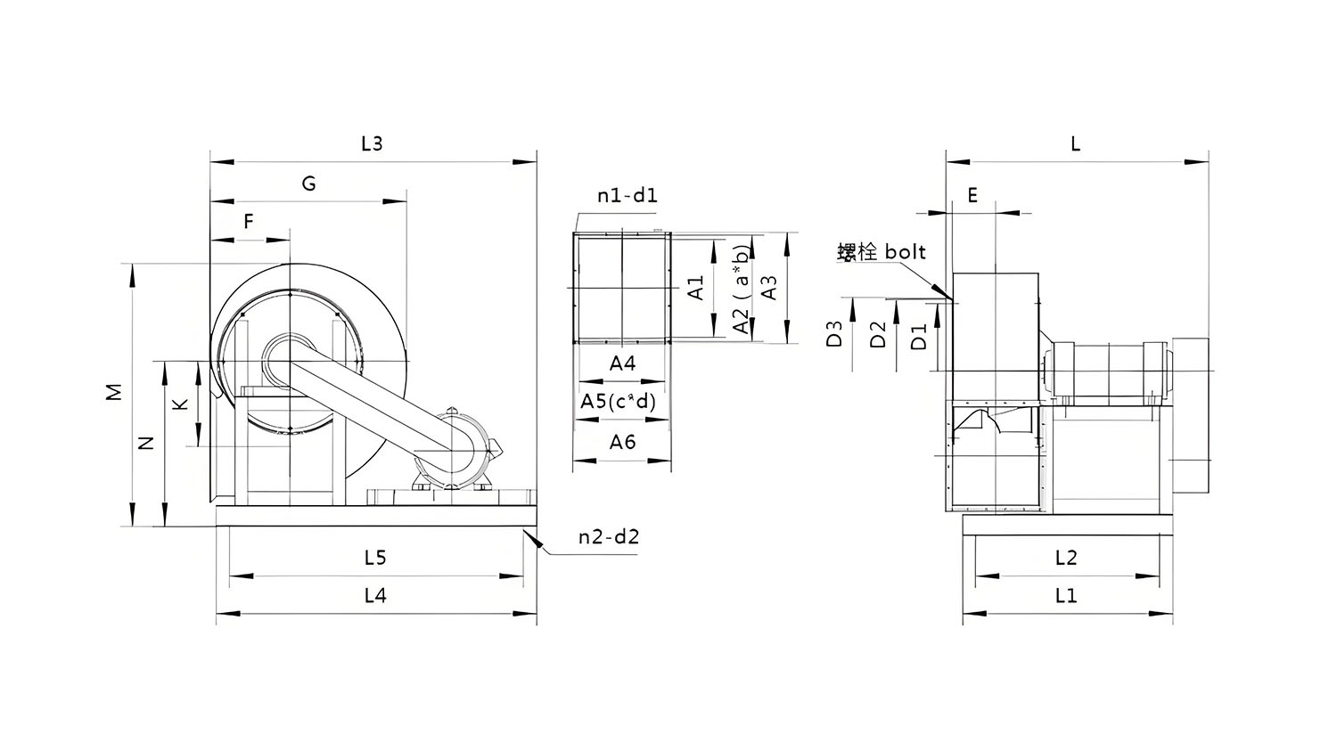
Total pressure(pa)2.8 2600 0.75-2 Y80M-2 1174-1800 776-619 2200 0.37-2 Y71M-2 994-1522 556-443 1800 0.25-2 Y63M-2 813-1245 372-296 3.2 2600 1.1-2 Y80M-2 1753-2686 1015-808 2200 0.75-2 Y80M-2 1483-2273 726-579 1800 0.55-2 Y71M-2 1213-1860 486-387 3.6 2600 2.2-2 Y90L-2 2730-4085 1230-1009 2200 1.5-2 Y90S-2 2310-3434 881-723 1800 0.75-2 Y80M-2 1890-2810 590-483 4 2600 3.0-2 Y100L-2 4040-5345 1582-1384 2300 2.2-2 Y90L-2 3573-5491 1238-917 2000 1.5-2 Y90S-2 3107-4775 936-694 1700 1.1-2 Y80M-2 2641-4058 676-501 4.5 2600 5.5-2 Y132S-2 5752-8839 2007-1486 2300 4.0-2 Y112M-2 5088-7819 1570-1163 2000 3.0-2 Y100M-2 4428-6788 1187-879 1700 2.2-2 Y90M-2 3761-5779 858-635 5 2600 11.0-2 Y160M-2 7938-12845 2527-1876 2300 7.5-2 Y132S-2 7022-11363 1978-1468 2000 5.5-2 Y132S-2 6106-9881 1495-1110 1700 3.0-2 Y100L-2 5190-8399 1080-802 5.6 2600 15.0-2 Y160M-2 9734-19466 3213-2035 2300 11.0-2 Y160M-2 8610-17220 2514-1593 2000 7.5-2 Y132S-2 7487-14974 1901-1204 1700 5.5-4 Y132S-4 6364-12728 1373-870 1400 3.0-4 Y100M-4 5242-10482 937-590 6 2240 15.0-2 Y160M-2 10314-20628 2734-1733 2000 11.0-2 Y160M-2 9209-18418 2176-1380 1800 7.5-4 Y132M-4 8288-16576 1790-1116 1600 5.5-4 Y132S-4 7367-14734 1689-881 1250 3.0-4 Y100L-4 5756-11511 846-537 1120 2.2-4 Y100L-4 5157-10314 679-431 900 1.5-4 Y90L-4 4144-8288 438-278 800 1.1-4 Y90S-4 3684-7367 346-220 6.3 2200 18.5-2 Y160L-2 15342-21474 2908-2303 1900 11.0-2 Y160M-2 13250-18546 2169-1718 1600 7.5-2 Y132S-2 11158-15618 1538-1218 1300 4.0-4 Y112M-4 9066-12689 1015-804 1000 2.2-4 Y100L-4 6793-9761 600-475 700 0.75-4 Y80M-4 4881-6833 294-233 7.1 1800 18.5-4 Y180M-4 15736-25265 2422-1801 1600 15.0-4 Y160L-4 13987-22635 1914-1423 1450 11.0-4 Y160M-4 12676-20513 1572-1168 1200 5.5-4 Y112M-4 10490-16976 1076-800 960 3.0-4 Y100L-4 8392-13581 689-512 700 1.5-4 Y160L-4 6119-9903 366-272 8 1800 30.0-2 Y200L-2 8392-13581 689-512 1800 37.0-2 Y200L-2 28105-36427 2920-2302 1600 22.0-2 Y180M-2 17463-22435 2478-2390 1600 30.0-2 Y160L-2 24982-32380 2303-1816 1250 11.0-4 Y160M-4 13643-25297 1507-1106 1120 7.5-4 Y132M-4 1224-15705 1209-1166 1120 11.0-4 Y60M-4 17487-22666 1124-887 1000 5.5-4 Y112M-4 10914-14022 963-929 1000 7.5-4 Y132M-4 15614-20237 895-707 900 4.0-4 Y112M-4 9823-12620 779-752 900 5.5-4 Y112M-4 14052-18213 725-572 800 3.0-4 Y100L-4 8732-16190 615-452 710 3.0-4 Y100L-4 7749-14368 485-356 10 1250 37.0-4 Y225S-4 34863-48797 2373-1877 1120 30.0-4 Y200L-4 31237-43722 1902-1505 1000 18.5-4 Y180M-4 27890-39038 1514-1199 900 15.0-4 Y160L-4 25101-35134 1225-970 800 11.0-4 Y160M-4 22312-31230 967-766 710 7.5-4 Y132M-4 19802-27717 791-603 630 5.5-4 Y112M-4 17571-24594 599-475 560 4.0-4 Y112M-4 15618-21861 473-375 12 1120 75.0-4 Y280S-4 53978-75552 2746-2172 1000 45.0-4 Y225M-4 48195-60397 2185-1969 1000 55.0-4 Y250M-4 63953-67457 1859-1729 900 37.0-6 Y250M-6 43375-60712 1767-1399 800 22.0-6 Y200L-6 38556-41973 1395-1376 800 30.0-6 Y225M-6 45391-53966 1321-1104 710 18.5-6 Y200L-6 34218-47895 1097-869 630 15.0-6 Y180L-6 30362-42498 863-684 560 7.5-6 Y160M-6 26989-29381 682-673 560 11.0-6 Y160L-6 31774-37776 646-540 500 7.5-6 Y160M-6 24097-33728 543-430 外形及安装尺寸示意图 Lnstallation size diagram

产品为人工实物测量会有一定误差,相关数据仅作参考。 单位Unit: mm(毫米)
机 号 进风口尺寸 Air inlet 出风口尺寸 Vent NO D1 D2 D3 螺栓 个数 A1 A2 A3 A4 A5 A6 a*b c*d n1-d1 2.8 282 310 333 M6 8 228 259 286 200 228 260 64*4 77*3 14-Φ11 3.2 325 352 370 M6 8 255 286 313 218 247 280 74*4 84*3 14-Φ11 3.6 368 387 413 M8 16 294 324 352 250 278 310 81*4 70*4 16-Φ11 4 409 437 460 M8 16 329 360 388 285 315 340 72*5 79*4 18-Φ11 4.5 446 492 515 M8 16 363 395 422 320 348 380 78*5 88*4 18-Φ11 5 500 540 565 M8 16 405 435 464 356 384 416 109*4 97*4 18-Φ11 5.6 562 593 624 M8 16 450 497 531 370 422 485 80*6 88*5 18-Φ11 6 603 640 660 M8 16 483 532 563 427 478 508 106.4*5 95.6*5 20-Φ11 6.3 640 667 698 M8 16 494 542 566 441 485 509 108*5 97*5 20-Φ11 7.1 730 755 795 M8 16 568 621 662 497 554 593 125*5 110*5 20-Φ11 8 810 856 885 M10 16 640 700 746 560 625 669 140*5 125*5 20-Φ11 10 1000 1065 1095 M10 16 800 860 906 700 765 809 172*5 153*5 28-Φ12 机号 外形及安装尺寸 Shape and installation dimensions Model G M F N K E L L1 L2 L3 L4 L5 N1-d1 2.8 477 600 210 350 197 174 700 470 438 970 898 890 14-Φ11 3.2 546 670 236 400 230 195 720 470 438 970 898 890 14-Φ11 3.6 599 752 253 450 253 222 760 470 438 970 898 890 16-Φ11 4 680 810 295 500 312 251 828 560 528 1080 958 990 18-Φ11 4.5 756 925 327 570 354 312 865 560 528 1080 958 990 18-Φ11 5 825 1040 343 625 354 354 1018 560 528 1080 958 990 18-Φ11 5.6 916 1130 384 680 390 394 1056 560 528 1080 958 990 18-Φ11 6 980 1210 408 745 420 385 1089 640 608 1080 1168 1200 20-Φ11 6.3 1017 1300 432 790 440 411 1154 640 608 1300 1168 1200 20-Φ11 7.1 1202 1450 522 880 798 500 1307 1170 1130 1730 1590 1630 20-Φ11 8 1286 1815 582 1080 565 284 1556 1420 1380 1780 1600 1680 20-Φ11 10 1589 2195 687 1300 700 350 1656 1550 1510 1880 1740 1780 28-Φ12
在线留言
联系我们
如果您对碳钢离心风机的技术参数或其他问题感兴趣,请留下您的详细信息,我们将在24小时内安排销售经理给您回复。- 万通风机
厂家直销
- 万通风机
提供检验报告
- 万通风机
售后有保障
地址:广州市番禺区沙湾镇动车街33号之二
电话:
碳钢离心风机
4-72型C式叶轮、机壳、进风口、机架、轴承箱等皮带传动而组成。叶轮:由10个后倾斜的机翼型叶片、曲线型前盘和平板后盘组成。并经过动平衡校正,气动性能,故运转平衡、振动小、效率高、寿命长等特点。
不锈钢离心风机
4-72型C式采用不锈钢板焊成蜗型壳体,进风口全部模具成型,风机的传动方式为C式皮带传动。是一款高效率、高性能、低耗能环保风机。具有耐化学腐蚀、不易老化、机械振动小、噪音低、运转平稳等特点。
不锈钢保温风机
4-72A\D型在离心通风机的基础上增加方形保温箱体。它在对于输送含有热量气体的场合,能有效减少由进风口到出风口热量的散失,从而确保气体温度的稳定性。
不锈钢通风机
4-72型A式采用不锈钢板焊成蜗型壳体,进风口全部模具成型,配直连电动机而组成。是一款高效率、高性能、低耗能环保风机。可输送含酸碱成分及化学成分的腐蚀性有毒气体。
产品规格 / Product Specifications
- 4-72-2.8C-0.75Kw郎溪碳钢离心风机
4-72-2.8C-1.5Kw伊宁碳钢离心风机
4-72-3.2C-1.1Kw三水碳钢离心风机
4-72-3.2C-2.2Kw长岛碳钢离心风机
4-72-3.6C-1.1Kw玛纳斯碳钢离心风机
4-72-3.6C-2.2Kw凤城碳钢离心风机
4-72-3.6C-3Kw绩溪碳钢离心风机
4-72-4C-2.2Kw广东碳钢离心风机
4-72-4C-4Kw垣曲碳钢离心风机
4-72-4C-5.5Kw凤庆碳钢离心风机
4-72-4.5C-2.2Kw昔阳碳钢离心风机
4-72-4.5C-3Kw高要碳钢离心风机
4-72-4.5C-4Kw奇台碳钢离心风机
4-72-4.5C-5.5Kw淅川碳钢离心风机
4-72-4.5C-7.5Kw白玉碳钢离心风机
4-72-5C-3Kw鹤庆碳钢离心风机
4-72-5C-4Kw东兴碳钢离心风机
4-72-5C-5.5Kw印度尼西亚碳钢离心风机
4-72-5C-7.5Kw韩城碳钢离心风机
4-72-6C-4Kw织金碳钢离心风机
4-72-6C-5.5Kw伊宁碳钢离心风机
4-72-6C-7.5Kw呼伦贝尔碳钢离心风机
4-72-6C-11Kw蒙城碳钢离心风机
4-72-7C-5.5Kw卢龙碳钢离心风机
4-72-7C-7.5Kw剑河碳钢离心风机
4-72-7C-11Kw宁陵碳钢离心风机
4-72-7C-15Kw德格碳钢离心风机
4-72-8C-5.5Kw朔州碳钢离心风机
4-72-8C-7.5Kw米易碳钢离心风机
4-72-8C-11Kw阜沙碳钢离心风机
4-72-8C-15Kw围场碳钢离心风机
4-72-8C-18.5Kw菲律宾碳钢离心风机
4-72-8C-22Kw即墨碳钢离心风机
4-72-8C-30Kw赣榆碳钢离心风机
4-72-10C-7.5Kw繁峙碳钢离心风机
4-72-10C-11Kw寿宁碳钢离心风机
4-72-10C-15Kw特克斯碳钢离心风机
4-72-10C-18.5Kw方正碳钢离心风机
4-72-10C-22Kw宜兴碳钢离心风机
4-72-10C-30Kw铜梁碳钢离心风机
4-72-12C-11Kw安新碳钢离心风机
4-72-12C-15Kw凤山碳钢离心风机
4-72-12C-18.5Kw定南碳钢离心风机
4-72-12C-30Kw拜城碳钢离心风机
4-72-12C-37Kw尖扎碳钢离心风机
4-72-12C-55Kw巫山碳钢离心风机







