高压抽风机
修改时间:2025-05-28 20:08:00 浏览:336240次 作者:万通
| 产品名称: | PP9-19型A式高压抽风机 | 产品简介: | PP9-19型A式塑料高压抽风机是一种采用聚丙烯PP(聚丙烯)或PE(聚乙烯)塑料制成的耐腐蚀离心风机,适用于强酸、强碱、有机溶剂等腐蚀性气体的排放或输送。其高压特性使其适用于需要较高风压的工况,如化工、电镀、实验室废气处理等场景。 一、主要应用领域 1. 化工行业 • 酸雾、碱雾、氯化氢(HCl)、硫化氢(H₂S)等腐蚀性气体的排放。 • 反应釜、储罐的抽风或送风系统。 2. 电镀与表面处理 • 电镀槽酸雾抽排(如铬酸、硫酸、氰化物废气)。 • 阳极氧化、磷化处理车间的通风。 3. 实验室与医药行业 • 实验室通风柜废气排放(如有机溶剂、强酸气体)。 • 制药厂反应釜尾气处理。 4. 环保工程 • 废气处理塔(喷淋塔、活性炭吸附塔)配套风机。 • 污水处理厂臭气收集与排放。 5. 其他特殊环境 • 电池制造(铅酸、锂电生产过程中的腐蚀性气体)。 • 印染、造纸行业的化学气体排放。 二、产品特点 1. 材质优势 • 全PP塑料结构(叶轮、机壳、进风口),耐强酸、强碱、有机溶剂(如硫酸、盐酸、硝酸、氢氟酸等)。 • 相比玻璃钢(FRP),PP更适用于高浓度腐蚀环境,且重量更轻。 2. 高压离心设计 • 9-19高压离心叶轮,提供较高风压(可达4500~8900Pa),适用于长管道或阻力较大的系统。 • A式驱动(电机直联),结构紧凑,运行稳定。 3. 电机配置 • 普通型(IP55防护,适用于一般腐蚀环境)。 • 防爆型(ExdⅡBT4,适用于易燃易爆气体环境)。 • 变频电机可选(节能调节风量)。 4. 其他特性 • 运行温度:-10℃~60℃(高温气体需特殊定制)。 • 低噪音设计,适用于实验室等安静场所。 三、选型与安装要点 1. 关键选型参数 • 风量(m³/h):根据废气排放量计算(如5000m³/h)。 • 全压(Pa):根据管道阻力、废气处理设备(如活性炭塔、喷淋塔)的压损确定。 • 介质成分:明确气体种类(如盐酸雾、硫酸雾、VOCs等),以确认PP材质的适用性。 • 电机功率:根据风量、风压匹配(如5.5kW、15kW等)。 2. 安装方式 • 管道连接:进风口和出风口可配法兰,与PP/PVC风管对接。 • 支架固定:需稳固安装,避免振动(塑料风机强度低于金属风机)。 • 防震措施:建议使用橡胶减震垫,降低噪音和振动传递。 3. 维护与注意事项 • 定期检查:叶轮是否腐蚀、积垢,及时清理(PP材质可用水冲洗)。 • 避免机械损伤:PP塑料抗冲击性较弱,安装时防止碰撞。 • 电机保养:按标准润滑,防爆电机需定期检测防爆性能。 • 长期停用:清洁后存放于干燥环境,避免阳光直射(PP易老化)。 |

-
01 CRC质量管理体系认证
风机测试符合JB/T 10563-2006国家标准的要求,风机设备连续运行24小时不损坏,长久使用寿命,节能高效(省电),为您创造利润,节省成本。全机组进行电脑应力应变分析,提高结构强度。
02 保养操作简单
采用紧凑的叶轮设计结构满足风机的高转速运行。叶片设计风量大,延长使用寿命,降低故障频率,模组化生产,规格统一,零配件材料齐全,可在短时间内、节约成本,快速完成安装维修。
03 提供服务团队
1对1服务,提供到公司测量性能、震动,提供测试报告,防范故障于未然,保障风机在最佳状况下运转。可针对客户的特殊规格,量身定制设计,确保风机运转于最高效率点。
PP9-19型A式塑料高压离心风机 PP9-19型A式塑料高压离心风机一般用于化工、氧化、电镀、酸碱、蓄电池、污水处理、无线电等行业高压强制通风,输送的介质为空气和其它不自燃、对人体无害、有腐蚀性气体,气件不允许有粘性物质,一般通风换气时使用温度≤60°℃,所含的尘土及硬质颗粒≤150mg/m3
PP9-19 C-type plastic high pressure centrifugal fan PP9-19 A-type plastic high pressure centrifugal fan Generally used for high pressure forced ventilation in chemical, oxidation, electroplating, acid and alkali, battery, sewage treatment, radio and other industries. The conveyed medium is air and other non-spontaneous combustion, harmless to human body, corrosive gas. The gas parts are not allowed to contain sticky substances. The general ventilation temperature is ≤60°℃, and the dust and hard particles contained are ≤150mg/m3
机 号
Model(No)功 率
Power(Kw)转 速
Speed(r/min)流 量
Volume(M3/h)全 压
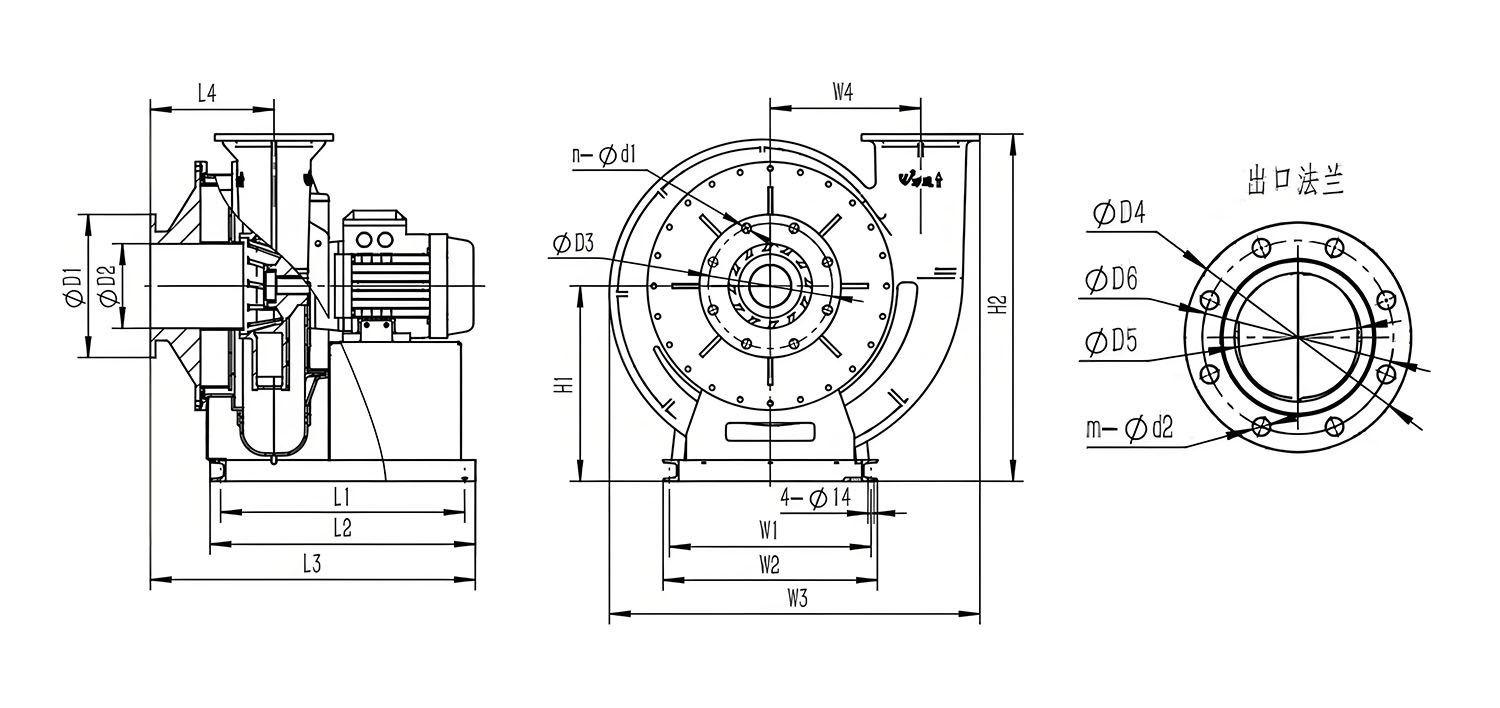
Pressure(Pa)4.5A 5.5 2900 1760 4900 4 2900 1600 4500 5A 7.5 2900 2109 5500 5.6A 7.5 2900 2620 6900 6.3A 15 2900 3860 8900 外形及安装尺寸示意图 Lnstallation size diagram

产品为人工实物测量会有一定误差,相关数据仅作参考。 单位Unit: mm(毫米)
机号 进风口 出风口 NO D1 D2 D3 n d1 D4 D1 D2 M d2 4.5C 337 192 295 8 22 247 136 209 8 18 5C 337 199 295 8 22 282 158 238 8 22 5.6C 395 220 350 12 22 337 190 295 8 22 6.3C 395 262 350 12 22 337 190 295 8 22 机号 外形尺寸 底架尺寸 NO L3 W3 H2 H1 L4 W4 L1 L2 W1 W2 4.5C 1241 705 760 435 322 286 980 1030 532 562 5C 1339 716 813 473 358 294 1050 1100 543 573 5.6C 1459 735 920 523 401 303 1100 1150 562 592 6.3C 1548 834 1021 578 460 309 1170 1220 661 690
在线留言
联系我们
如果您对高压抽风机的技术参数或其他问题感兴趣,请留下您的详细信息,我们将在24小时内安排销售经理给您回复。- 万通风机
厂家直销
- 万通风机
提供检验报告
- 万通风机
售后有保障
地址:广州市番禺区沙湾镇动车街33号之二
电话:
节能耐腐蚀风机
FPE型C式可输送硫酸、硫磺酸、硝酸、氮酸、氢氟酸、鲍里斯酸、氢氰酸、盐酸,氨、苏打、乙醇、氢氧化钾、甲醇、丙烷、苯、甲醛等腐蚀性有毒气体。
塑料防腐风机
HPE型C式广泛应用于科研、化工、电镀、冶金、电子、医药、实验室通风柜以及环保配套设备等含有腐蚀性气体的场所。
通用防腐风机
WT4-72型A式风机蜗壳、风轮采用模压一体成型,进出风都采用标准圆形接口(160、200、250、300)非常方便接标准的塑料管道。
节能高效风机
HPE型A式具有强度高、能耗低、效率高、噪音低、重量轻、风量风压大、不易老化、运转平稳、耐腐蚀性能良好、便于安装等特点。





