防腐通风机
修改时间:2025-05-28 20:08:00 浏览:2240695次 作者:万通
| 产品名称: | PVC4-72型A式防腐通风机 | 产品简介: | PVC4-72型A式防腐通风机是一种专为腐蚀性环境设计的离心式通风设备,广泛应用于化工、电镀、实验室、污水处理等存在酸碱性气体的场所。 1. 型号含义解析 • PVC:风机材质为聚氯乙烯(Polyvinyl Chloride),具有优异的耐酸碱、防腐蚀性能。 • 4-72:代表风机系列号,其中“4”表示压力系数(中低压),“72”表示比转速(高效率范围)。 • A式:驱动方式为电机直联(风机叶轮直接安装在电机轴上),结构紧凑,运行稳定。 2. 主要特点 • 防腐性强:PVC材质可抵抗大部分酸、碱、盐等腐蚀性气体,适用于pH值范围广的环境。 • 轻量化设计:相比金属风机重量更轻,安装维护方便。 • 低噪音运行:优化叶轮设计,气流平稳,噪音较低。 • A式结构:直联传动效率高,无需皮带或联轴器,减少能量损失。 3. 主要技术参数 • (具体参数需根据型号规格确认,常见示例) • 风量:约1000~50000 m³/h(依型号不同)。 • 全压:200~3000 Pa。 • 功率:0.55~30 kW(匹配电机功率)。 • 转速:2900/1450 rpm(4极/6极电机)。 4. 应用场景 • 化工行业:酸雾废气排放、反应釜通风。 • 电镀车间:铬酸、氰化物等腐蚀性气体处理。 • 实验室:通风柜、废气收集系统。 • 环保工程:污水处理厂、废气净化设备配套。 5. 选型注意事项 • 介质特性:确认气体成分、浓度、温度(PVC通常适用-10℃~+60℃)。 • 风量风压需求:根据管道阻力、换气次数计算。 • 安装环境:避免阳光直射(PVC易老化),室外需加装防护罩。 • 电机防护:需选配防腐电机(如IP55防护等级)。 6. 维护与保养 • 定期检查叶轮是否积垢或腐蚀,及时清洁。 • 避免长时间空转或超负荷运行。 • 电机轴承需定期加注耐腐蚀润滑脂。 |

-
01 CRC质量管理体系认证
风机测试符合JB/T 10563-2006国家标准的要求,风机设备连续运行24小时不损坏,长久使用寿命,节能高效(省电),为您创造利润,节省成本。全机组进行电脑应力应变分析,提高结构强度。
02 保养操作简单
采用紧凑的叶轮设计结构满足风机的高转速运行。叶片设计风量大,延长使用寿命,降低故障频率,模组化生产,规格统一,零配件材料齐全,可在短时间内、节约成本,快速完成安装维修。
03 提供服务团队
1对1服务,提供到公司测量性能、震动,提供测试报告,防范故障于未然,保障风机在最佳状况下运转。可针对客户的特殊规格,量身定制设计,确保风机运转于最高效率点。
PVC4-72-A型防腐通风机 PVC4-72-A型防腐通风机参照金属4-72性能参数采用硬聚氯乙烯板,加热压模焊接而成。其广泛应用于科研、化工、冶金、电子、医药、纺织、仪表、电镀、矿山、学校酒店、宾馆、实验室、环保配套设备等行业中作通风换气排除酸碱性等有害气体通风之用。但不允许输送含芳香族化合物、脂肪族与芳香族碳氢化合物的卤素衍生物、酮类等腐蚀性气体。具有耐化学腐蚀、不易老化、比重小、机械振动小、噪音低、运转平稳等特点。其所输送气体不允许含有粘性物质、所含粉尘及硬质颗粒≤150mg/m3、气体温度≤50℃、相对湿度≤100%。且避免阳光暴晒、风机现场附近不得有热源。
PVC4-72-A Anticorrosive ventilator PVC4-72-A Anticorrosive ventilator With reference to the performance parameters of metal 4-72 it is made of hard polyvinyl chloride plate and welded by heated pressing die. It is widely used in scientific research chemical industry metallurgy electronics medicine textile instrumentation electroplating mining school hotels guesthouses laboratories environmental protection equipment and other industries for ventilation ventilation to remove acid and alkaline and other harmful gases. However it is not allowed to transport corrosive gases containing aromatic compounds aliphatic and aromatic hydrocarbons halogen derivatives ketones and so on. It has the characteristics of chemical corrosion resistance not easy aging small specific gravity small mechanical vibration low noise stable operation and so on. The gas is not allowed to contain viscous substances dust and hard particles≤150mg/m3 gas temperature≤50℃ relative humidity≤100% Avoid sun exposure and no heat source near the fan site.
机 号
Model(No)功 率
Power(Kw)转 速
Speed(r/min)流 量
Volume(M3/h)全 压
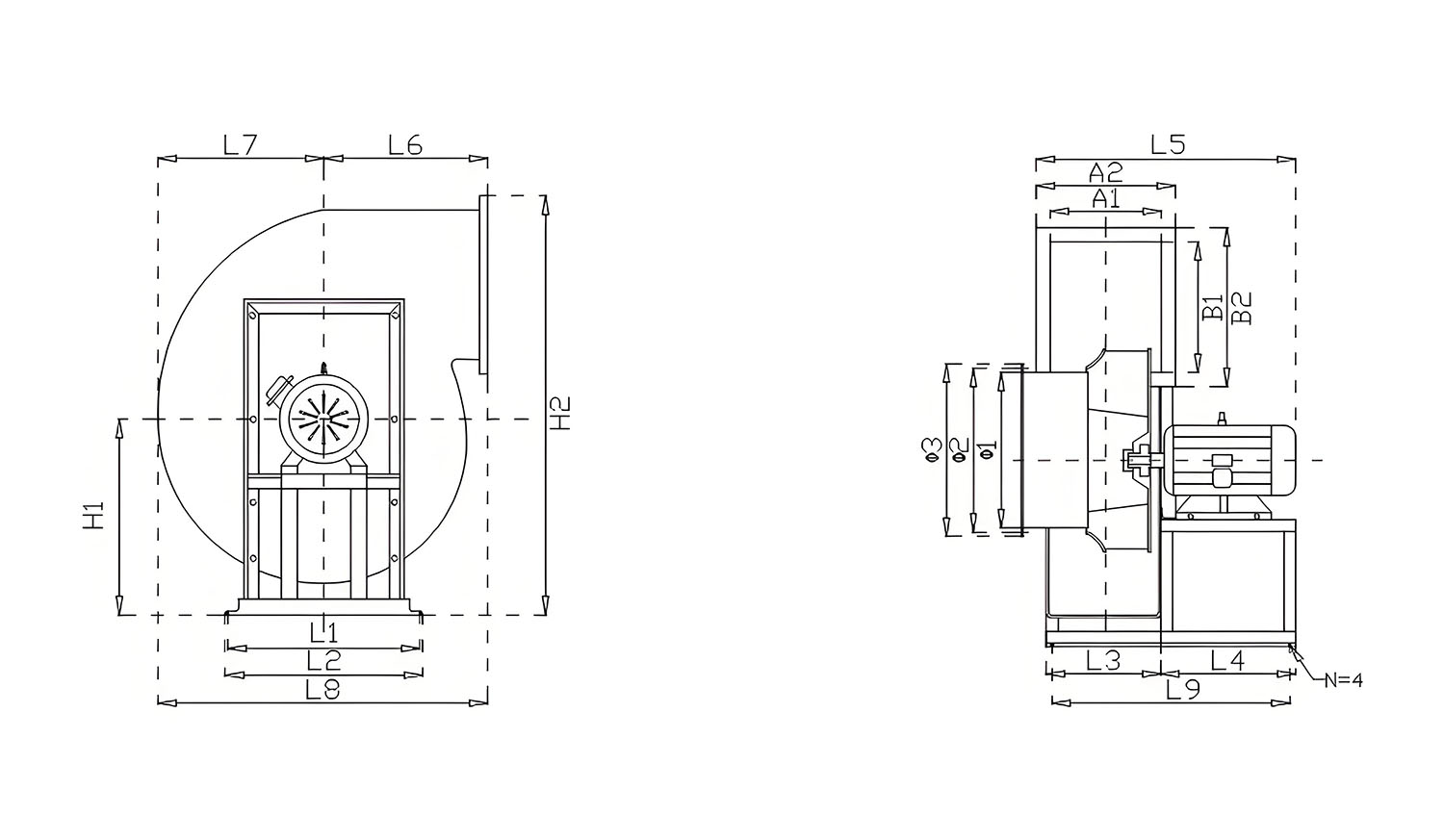
Pressure(Pa)2.8A 0.75 1450 565-1178 288-126 3.2A 0.75 1450 844-1758 324-198 3.6A 1.1 1450 1332-2634 393-247 4A 1.1 1450 2006-3700 501-329 4.5A 1.5 1450 2856-5281 634-416 5A 2.2 1450 3864-7728 790-502 6A 5.5 1450 7010-14020 1196-760 4 1450 6677-13353 1139-724 1.5 960 4420-8841 498-317 7A 7.5 1450 10602-21204 1550-984 3 960 7312-14623 736-468 8A 5.5 960 14052-18213 752-572 外形及安装尺寸示意图 Lnstallation size diagram

产品为人工实物测量会有一定误差,相关数据仅作参考。 单位Unit: mm(毫米)
机 号 进风口 Air inlet 出风口 Vent 外形尺寸 Shape size 底架尺寸 Bottom frame size NO Φ1 Φ2 Φ3 A1 A2 B1 B2 H1 H2 L5 L6 L7 L8 L1 L2 L3 L4 L9 N 2.8A 178 223 273 187 264 215 281 293 633 510 214 290 504 325 367 207 219 405 M12 3.2A 197 247 297 212 301 240 330 313 707 512 236 304 540 335 367 225 219 414 M12 3.6A 216 271 321 240 338 273 372 348 781 545 272 342 631 389 427 246 227 464 M12 4A 245 295 345 267 375 304 413 383 855 610 308 380 686 443 487 260 235 464 M12 4.5A 274 319 369 294 402 345 457 428 982 643 343 417 760 483 525 260 242 514 M12 5A 330 375 421 321 429 385 500 467 1065 620 374 466 987 498 548 260 360 588 M12 6A 395 458 480 408 520 463 574 548 1267 705 443 482 1025 535 585 280 425 673 M12 7A 443 498 553 406 519 478 584 629 1469 790 512 498 1063 587 645 320 490 758 M12 8A 499 599 619 467 582 553 653 710 1671 875 581 514 1100 639 705 320 555 843 M12
在线留言
联系我们
如果您对防腐通风机的技术参数或其他问题感兴趣,请留下您的详细信息,我们将在24小时内安排销售经理给您回复。- 万通风机
厂家直销
- 万通风机
提供检验报告
- 万通风机
售后有保障
地址:广州市番禺区沙湾镇动车街33号之二
电话:
防腐通风机
PVC4-72型A式参照金属4-72性能参数采用硬聚氯乙烯板,加热压模焊接而成。具有耐化学腐蚀、不易老化、比重小、机械振动小、噪音低、运转平稳等特点,是一种较为理想的通用型防腐风机。
耐腐抽风机
PVC4-62型A式参照金属4-62性能参数采用硬聚氯乙烯板,加热压模焊接而成。可输送含酸碱成分及化学成分的腐蚀性有毒气体。
塑料风机
PVC4-72型C式参照金属4-72性能参数采用硬聚氯乙烯板,加热压模焊接而成。具有耐化学腐蚀、不易老化、比重小、机械振动小、噪音低、运转平稳等特点,是一种较为理想的通用型防腐风机。







